2. 江苏省智能化农业装备重点实验室,江苏 南京 210031;
3. 江苏省农业科学院 农业资源与环境研究所,江苏 南京 210014
2. Jiangsu Province Engineering Laboratory for Modern Facilities Agricultural Technology and Equipment, Nanjing 210031, China;
3. Institute of Agricultural Resources and Environment, Jiangsu Academy of Agricultural Sciences, Nanjing 210014, China
水稻秸秆直接还田不仅可将秸秆就地处理,提高利用效率,还有利于改善土壤结构,补充土壤养分,进而提高下一茬作物的产量,是我国一些省区重要的秸秆处理途径[1-5]。目前,高留茬切碎匀铺旋耕还田已成为江苏省稻麦轮作区秸秆还田的主流推广技术,通过使用灭茬机将30~40 cm的田间留茬切碎并均匀撒布,随后用旋耕机将秸秆翻埋进土壤中[6-8]。此方案具有全喂入联合收割机作业功耗与磨损程度低、收获质量与秸秆还田率高、秸秆腐熟速度快等突出的优点[9-14]。但由于稻秆柔韧性强,留茬较高时,容易被收割机驱动轮与灭茬机驱动轮二次压倒至前进的方向,甚至嵌入泥土。此时,灭茬机无法粉碎严重倒伏的水稻秸秆,导致水稻秸秆的粉碎效果不理想,并严重影响下一茬作物的播种[15-17]。本文研制了一种带有新型扶茬机构的卧式水稻灭茬机,通过大田试验验证该机具的性能并确定最优的工作参数组合,以期为稻麦轮作区水稻秸秆还田过程中的倒茬残留问题提供一种解决方案。
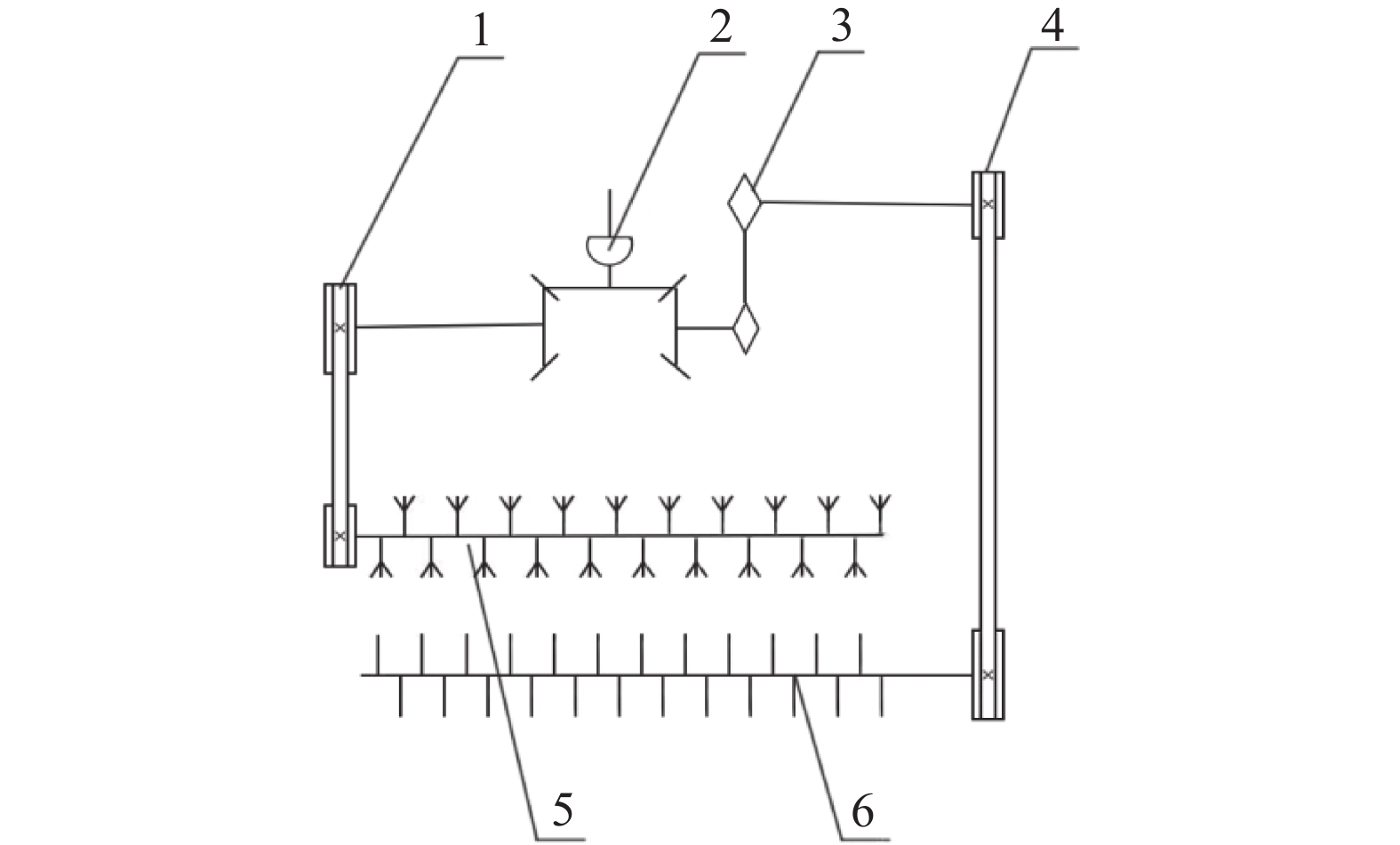
1 灭茬机机构设计 1.1 灭茬机整体结构及工作原理针对现有的卧式灭茬机进行改进设计,将扶茬机构前置于粉碎室。整体结构如图1所示,主要包括机壳、悬挂机构、传动机构、粉碎机构、扶茬机构、镇压机构等部分。粉碎机构选用“Y”型甩刀与固定在机壳内的定刀配合切碎的工作方式,刀片排列密度为26片·m–1。
|
图 1 灭茬机结构简图 Figure 1 Structure diagram of stubble cleaner 1:机壳,2:传动机构,3:悬挂机构,4:镇压机构,5:粉碎机构,6:扶茬机构 |
机具由配套的拖拉机动力输出轴输出动力:一方面通过皮带将动力传递至动刀刀辊使其高速反向回转;另一方面经链传动与带传动二次减速将动力传递至扶辊。机具作业时,扶辊回转平面最低点紧贴地面工作,利用自身正转将扶指切入倒茬与地面间的空隙,并自前向后扶起倒茬,进入机壳附近,通过动刀旋转产生的气流喂入粉碎系统,秸秆在高速旋转的动刀与固定在机壳内的定刀配合下不断被切碎,直至被切割到机架后部并均匀抛洒在田间。
1.2 扶茬机构及传动设计 1.2.1 扶茬机构关键参数图2为扶茬机构工作原理简图。扶指运动至P点后切入秸秆顶部与地面的间隙,并随机具前进与扶辊回转扶起秸秆,最后再次于B点脱离秸秆。经预试验中测得,灭茬机旋转所产生的风力场可有效将倒伏角大于25°的秸秆送至喂入口,因而扶辊只需将倒茬扶起至一定角度后即可脱离秸秆,从而达到降低功耗、减小辊轮损耗的目的。
|
图 2 扶茬机构的工作原理图 Figure 2 Working principle diagram of lifting system |
设扶茬机构工作过程中,秸秆形状保持为直线,在三角形ABC中计算得到秸秆被扶起的角度(α)满足公式(1):
| $\alpha = \arctan \frac{{{R_{\rm f}}(1 - \cos \theta )}}{{L + S - {R_{\rm f}}\sin \theta }},$ | (1) |
将
| $\alpha = \arctan \frac{{{R_{\rm f}}(1 - \cos {\omega _{\rm f}}t)}}{{L + {V_{\rm m}}t - {R_{\rm f}}\sin {\omega _{\rm f}}t}},$ | (2) |
式中,Rf为扶指回转半径,mm;L为秸秆长度,mm;Vm为机具前进速度,km·h–1,ωf为扶辊角速度,rad·s–1;t为时间,s。
由公式(2)可知,时间一定时,扶指回转半径越大,秸秆长度与机具前进速度越小,秸秆被扶起的角度越大。
1.2.2 扶指形状与扶辊回转半径初期所设计的扶辊类似于拨禾轮的形状,通过验证,这种设计的扶辊缠草严重,无法正常工作。故将扶指设计为“L”型结构,排列方式选用对称排布,扶指设计为4只×14只,扶指间距约为143 mm,保证秸秆有足够的脱离空间。扶辊整体结构如图3所示扶辊的旋转方向与驱动轮相同,扶指顶部运动速度(V)满足:
|
图 3 扶辊示意图(单位:mm) Figure 3 Schematic diagram of lifting roller(unit: mm) |
| $\left\{ \begin{array}{l}{V_x} = {V_{\rm{m}}} - {R_{\rm{f}}}{\omega _{\rm{f}}}\cos {\omega _{\rm{f}}}t,\\{V_y} = - {R_{\rm{f}}}{\omega _{\rm{f}}}\sin {\omega _{\rm{f}}}t\text{。}\end{array} \right.$ | (3) |
为使扶辊正常工作,要求其绝对运动轨迹为一摆线;同时,为避免扶禾轮缠草,其轴截面周长应大于田间留茬长度。即
| $\left\{ \begin{array}{l}{n_{\rm{f}}} > \displaystyle\frac{{{\rm{30}}{{V}_{\rm{m}}}}}{{\pi {R_{\rm{f}}}}},\\2\pi r \geqslant L,\end{array} \right.$ | (4) |
式中,r为扶辊轴半径,mm;nf为扶辊转速,r·min–1。
本机具Vm为3~8 km·h–1、田间L约为300~350 mm,经综合考量,最终确定扶辊轴半径(r)为70 mm、扶指长度(h)为100 mm,即扶指最大回转半径(Rf)为170 mm。
1.2.3 传动系统构成本机具具有拆装便利、制作工艺简单、整机质量轻等优点[18]。含有刀辊和扶辊2个工作机,由于工作机运动形式简单、扶辊转速与转矩较低,采用分流传动方式完全能够满足需求。由于灭茬机采用中间传动时,刀辊中部齿轮箱将严重影响灭茬效率,故本机具采用双侧边传动。图4为本机传动系统示意图。
|
图 4 传动系统示意图 Figure 4 Schematic diagram of transmission system 1:左侧皮带轮,2:万向节,3:过桥链轮,4:右侧皮带轮,5:粉碎刀辊,6:扶辊;中央为变速箱一级传动,左侧边为灭茬刀辊传动系统,右侧边为扶辊传动系统 |
试验于2017年11月5日在江苏省泗洪县现代农业科技示范基地进行,田间试验状况如图5所示。试验地地势平坦,秸秆产量1.13 kg·m–1,谷草比约为0.76,秸秆含水率(w)26.32%,秸秆平均长度317 mm。经由久保田–688全喂入履带收割机完成收割作业,配套动力为福格森–1204拖拉机,作业幅宽为2 000 mm,履带宽400 mm,田间倒茬面积占比为40%。试验中由拖拉机前后轮再次压倒秸秆后倒茬占比约为56.5%,其中,收割机轮辙处18.5%、双机具轮辙处21.5%和灭茬机轮辙处16.5%。
2.2 试验方法为控制试验变量,令拖拉机右侧前驱动轮沿田间收割机轮辙行进,机具前进速度的控制通过变更拖拉机不同档位组合方式实现,并由其内部动力输出轴显示控制仪表调控各组扶辊转速,再通过更换自行研制的3种扶辊类别得到试验所需的不同扶指形状。卧式稻麦灭茬机工作后的根茬高度约为50~110 mm,本试验取根茬长度≥110 mm的为不合格稻秆,采用粉碎率(
| $\eta = \left(\frac{1 - {W_1}}{{W_2}}\right) \times 100{\text{%}} ,$ | (5) |
式中,W1为粉碎后单位面积内留茬大于110 mm的茎秆数量,W2为总的茎秆数量。随机选取1 m2的样本区域,于试验前人工计数得出W2,并在机具完成作业后计数不合格稻秆总数W1,重复3次,取平均值作为各组试验的试验结果。
|
图 5 灭茬机田间性能试验示意图 Figure 5 Field performance experiment of stubble cleaner |
采用三因素三水平正交试验(表1)。1)机具前进速度(Vm):拖拉机灭茬工作时,最大速度一般取8 km·h–1,过快的速度将会降低粉碎合格率,并增大拖拉机的输出功率[19]。取试验机具前进的3个试验水平为低速龟二挡(3.64 km·h–1)、低速龟三档(5.38 km·h–1)、高速龟一档(7.32 km·h–1)。
2)扶辊转速(nf):由式(2)可知,扶辊转速是影响扶禾效果的重要参数,当扶指在水平位置前与倒茬脱离(即扶辊转角θ<90°)时,扶辊转速越快,扶禾效果越好。但过快的转速会使倒茬受到冲击变形,且加剧扶辊损耗。
3)扶指宽度(H):扶指宽度即为轴向上扶指弯折处与顶点的距离,显然扶指宽度越高,理论上扶茬效果越好,但扶指宽度过大将使扶指所受力矩增大,降低工作寿命,并使扶辊易于缠草。设置H为0(直型扶指)、30与50 mm 3个水平,3类扶指形状如图6所示。
|
|
表 1 正交试验的因素水平表 Table 1 Factors and levels of orthogonal design |
|
图 6 不同扶指宽度(0、30和50 mm)扶指形状示意图 Figure 6 Schematic diagrams of lifting fingers with various width(0, 30 and 50 mm) |
以粉碎率作为验证指标的三因素三水平正交试验结果如表2所示。为获得所设计扶茬机构对粉碎率的提升效果,同时在机具未安装扶辊的条件下进行了对比试验,得到无扶辊时灭茬机的最高粉碎率为64.95%。试验过程中未发生缠草以及扶指断折。由表2可以看出,影响粉碎率的因素排列为:扶指宽度(C) >机具前进速度(A) >扶辊转速(B)。最佳组合为A 2B2C3,秸秆粉碎率达到了92.52%,比无扶辊作业提高了27.57%。研究结果表明,本机具最优的组合为机具前进速度5.38 km·h–1、扶辊转速160 r·min–1、扶指宽度50 mm,此时秸秆切碎长度(≤99 mm)合格率为91.04%,能够满足设计要求。
|
|
表 2 正交试验结果和极差分析1) Table 2 The results and range analysis of orthogonal experiment |
正交试验的方差分析结果如表3所示。由表3可以看出,机具前进速度与扶辊转速对秸秆粉碎率有显著影响(P<0.05),扶指宽度对粉碎率的影响极为显著(P<0.01)。在试验范围内,机具前进速度增大,扶辊工作时间变短,所扶起倒茬角度减小。扶辊转速过慢,被扶倒茬达不到所需角度;扶辊转速过快,倒茬因冲击产生弯折变形,降低了扶茬效果。扶指宽度的增加可直接增大被扶起倒茬的比例。
|
|
表 3 正交试验的方差分析 Table 3 Variance analysis of orthogonal experiment |
针对水稻秸秆粉碎还田中的倒茬残留问题,研制了带有新型扶禾机构的甩刀型水稻灭茬机,研究了该机具的总体结构与工作参数,确定了关键部件的设计方法,证明了本机具的有效性。通过正交试验对本机具的工作参数进行研究,以粉碎率(
实际工作中,影响扶茬机构可靠性的因素较为复杂,本试验所在农业科技示范基地农艺技术较为规范,联合收割机收获前排水工作及时,创造了良好的试验条件。若遇连绵阴雨逆境工作,驱动轮压倒秸秆时土质黏软,将使地表平整度降低,倒茬陷入泥地较深,不利于扶茬作业,只能期待后续旋耕作业埋覆未粉碎的秸秆[20]。
| [1] |
张庆玲. 水稻秸秆还田现状与分析[J]. 农机化研究, 2006(8): 223. ( 0) |
| [2] |
顾克军, 张斯梅, 许博, 等. 江苏省水稻秸秆资源量及其可收集量估算[J]. 生态与农村环境学报, 2012, 28(1): 32-36. ( 0) |
| [3] |
叶文培, 谢小立, 王凯荣, 等. 不同时期秸秆还田对水稻生长发育及产量的影响[J]. 中国水稻科学, 2008, 22(1): 65-70. ( 0) |
| [4] |
ZHANG J, HANG X N, LAMINE S M, et al. Interactive effects of straw incorporation and tillage on crop yield and greenhouse gas emissions in double rice cropping system[J]. Agr Ecosyst Environ, 2017, 250: 37-43. DOI:10.1016/j.agee.2017.07.034 ( 0) |
| [5] |
王金武, 王奇, 唐汉, 等. 水稻秸秆深埋整秆还田装置设计与试验[J]. 农业机械学报, 2015, 46(9): 112-117. ( 0) |
| [6] |
常志州, 陈新华, 杨四军, 等. 稻麦秸秆直接还田技术发展现状及展望[J]. 江苏农业学报, 2014, 30(4): 909-914. ( 0) |
| [7] |
杜永林. 江苏秸秆全量还田少免耕稻作技术及其应用探讨[J]. 耕作与栽培, 2005(5): 47-50. ( 0) |
| [8] |
顾克军, 张传辉, 顾东祥, 等. 水稻秸秆养分垂直分布特征与不同留茬高度下还田养分估算[J]. 中国土壤与肥料, 2017(3): 99-104. ( 0) |
| [9] |
张秀梅. 高茬秸秆还田旋耕机工作机理与试验研究[D]. 武汉: 华中农业大学, 2017.
( 0) |
| [10] |
张洪程, 龚金龙. 中国水稻种植机械化高产农艺研究现状及发展探讨[J]. 中国农业科学, 2014, 47(7): 1273-1289. ( 0) |
| [11] |
HU N J, WANG B J, GU Z H, et al. Effects of different straw returning modes on greenhouse gas emissions and crop yields in a rice-wheat rotation system[J]. Agr Ecosyst Environ, 2016, 223: 115-122. DOI:10.1016/j.agee.2016.02.027 ( 0) |
| [12] |
刘世平, 陈后庆, 陈文林, 等. 不同耕作方式与秸秆还田周年生产力的综合评价[J]. 农业工程学报, 2009, 25(4): 82-85. ( 0) |
| [13] |
杨志臣, 吕贻忠, 张凤荣, 等. 秸秆还田和腐熟有机肥对水稻土培肥效果对比分析[J]. 农业工程学报, 2008, 24(3): 214-218. ( 0) |
| [14] |
HIRAI Y, INOUE E, MORI K. Application of a quasi-static stalk bending analysis to the dynamic response of rice and wheat stalks gathered by a combine harvester reel[J]. Biosyst Eng, 2004, 88(3): 281-294. DOI:10.1016/j.biosystemseng.2004.04.010 ( 0) |
| [15] |
顾克军, 杨四军, 张斯梅, 等. 不同生产条件下留茬高度对水稻秸秆可收集量的影响[J]. 中国生态农业学报, 2011, 19(4): 831-835. ( 0) |
| [16] |
邱进, 吴明亮, 官春云, 等. 动定刀同轴水稻秸秆切碎还田装置结构设计与试验[J]. 农业工程学报, 2015, 31(10): 11-19. ( 0) |
| [17] |
陈海涛, 张颖, 黄振华, 等. 含水率对水稻秸秆流动力学特性的影响[J]. 东北农业大学学报, 2013, 44(11): 90-94. ( 0) |
| [18] |
杜朝伟. 一种新型玉米秸秆粉碎还田机的研制与试验[D].昆明: 昆明理工大学, 2016.
( 0) |
| [19] |
贾洪雷, 姜鑫铭, 郭明卓, 等. V-L型秸秆粉碎还田刀片设计与试验[J]. 农业工程学报, 2015, 31(1): 28-33. ( 0) |
| [20] |
李亚伟,肖跃成,吴爱国,等. 稻田麦草全量还田带水旋耕技术示范初报[J]. 中国稻米, 2007(4): 45-48. ( 0) |
2018, Vol. 39



0)