2. 新疆农业工程装备创新设计重点实验室,新疆 乌鲁木齐 830052;
3. 新疆天诚农机具制造有限公司, 新疆 铁门关 841007
2. Key Laboratory of Innovative Design, Xinjiang Agricultural Engineering Equipment, Urumqi 830052, China;
3. Xinjiang Tiancheng Agricultural Machinery Manufacturing Company with Limited Liability, Tiemenguan 841007, China
我国是全球最大的棉花生产国和消费国,棉花产量居世界首位。2020年新疆棉花种植面积与2019年持平,约为2.5×106 hm2,总产量525.1×104 t,同比增长5.6%[1]。棉花播种智能化发展对棉花提质增效具有重要意义[2]。由于棉花播种作业过程中穴播器全封闭,无法看清其工作情况,加上恶劣的田间环境,穴播器易出现漏播、重播等故障,导致棉花减产[3-4],同时也降低了农民的经济收入。目前,国外播种机配套有作业监测装置,装置的可靠性及准确率较高[5]。美国John Deere公司[6]的播种机采用光电传感器作为检测元件,配合信号采集电路,实现对种子漏播的实时监测,通过图形处理技术将漏播数据进行分析,方便驾驶员了解播种情况。Precision Planting[7]研制出一套WaveVision 监测器,该监测器通过高频无线电波测量种子质量,解决了无法监测到种子并排下落以及尘土被认为是种子等难题,并且可以实现播种机工况的监控。菲律宾Borja等[8]设计了气动式玉米播种机,并在该机上装备有机器视觉技术和机电一体化技术融合的控制系统,能准确地监测到漏播现象。Marrion等[9]研制基于机器视觉的自动播种系统,该系统实现了远程操控在插秧盘上播种及对排种器实现自动监测等功能。上述研究与应用主要针对小麦、玉米、水稻等种子播种监测,且产品价格昂贵,又因国外作业环境、适用对象与国内相差较大,难以适用于国内棉种播种监测。
近年来,国内在漏播监测系统方面的研究取得了较大进展,丁幼春等[10-11]和李明等[12]在油菜排种器基础上,安装基于PVDF压电薄膜和薄面激光−硅光电池的种子流传感检测模块对各行播量、排种频率和漏播量进行监测。谭穗妍等[13-14]采用基于机器视觉和BP神经网络融合方法监测超级杂交稻的穴播量,实现了监测功能,具有较高的准确率,但新疆地区气候干燥,作业时灰尘较大,对机器视觉影响较为严重。杨硕等[15]采用红外对射原理的落种监测传感器,获得稳定的落种脉冲信号,计算排种数。黄东岩等[16]利用压电传感器实时监测指夹式排种器播种状况,并将采集到的播种信息通过GPRS DTU模块传输于远程服务器。王金武等[17]设计的水稻穴直播监测系统采用压电传感器作为监测元件监测种子漏播、重播。
综上所述,国内多数播种监测系统以条播机为研究载体,将监测系统安装在排种管内,监测排种管内种子流经的情况,具有较高的监测准确率。但新疆普遍使用的穴播机工作原理与条播机不同,穴播机作业时穴播器与土地接触,鸭嘴将全部插入地下完成播种,鸭嘴内的监测系统会因受到压力而损坏,故监测系统的安装方式不适用于穴播机。因此,本研究以新疆地区普遍使用的齿盘式穴播器为研究载体,设计一套棉花播种质量实时监测系统。将对射式光电传感器和光电编码器安装在穴播器壳体内,避免在鸭嘴部位安装监测系统导致其与土壤接触受到压力而损坏,以提高棉种漏播、重播信息监测的准确性,解决驾驶员无法及时发现穴播器漏播、重播等问题,旨在为新疆地区棉花穴播机播种智能化发展奠定基础。
1 系统设计 1.1 齿盘式穴播器结构与工作原理棉花齿盘式穴播器主要由进种管、外定盘、取种盘、存种圈、压盘、鸭嘴及腰带总成和动盘等组成,其结构如图1所示。存种圈与外定盘通过蝶形栓连接,取种盘与动盘通过螺钉连接。
|
图 1 齿盘式穴播器结构 Fig. 1 Sprocket hole sower structure 1:进种管;2:外定盘;3:压盘;4:取种盘;5:存种圈;6:鸭嘴及腰带总成;7:动盘 1: Seed inlet tube; 2: Outer fixing plate; 3: Pressing plate; 4: Seed extraction plate; 5: Seed storage ring; 6: Duck beak and belt assembly; 7: Moving plate |
工作原理如图2所示,棉花齿盘式穴播器的工作过程包括:充种、清种、第1次投种和第2次投种。作业时,种箱内的棉种通过定盘上的进种管堆积在穴播器的存种圈内,取种盘跟随主轴顺时针转动,棉种在重力、种子间的相互作用力以及取种盘的扰动等因素的影响下进入取种盘型孔内,完成充种过程;取种盘继续旋转,达到一定高度时,取种盘型孔外部多余的种子在清种刷及重力作用下落至存种圈,完成清种过程;当取种盘转到存种圈下种口时,型孔内的种子因失去了存种圈的支持,从下种口处迅速掉落至分种腔等待,完成第1次投种过程;随着穴播器的滚动,鸭嘴在苗床上掘穴并打开,棉种流过鸭嘴完成第2次投种过程。第1、第2次投种过程示意图如图3所示。
|
图 2 齿盘式穴播器工作原理图 Fig. 2 Working principle diagram of the sprocket hole sower |
|
图 3 第1、第2次投种过程示意图 Fig. 3 Diagrams of the first and second seeding processes 1:棉种;2:分种腔;3:鸭嘴 1: Cotton seed; 2: Seed splitting chamber; 3: Duckbill |
监测系统的结构组成如图4所示,下位机主要由光电传感器、编码器、信号调理模块、从控制器和无线发射模块组成。上位机主要由主控制器、无线接收模块和人机交互显示屏组成。每个穴播器单体包括光电传感器、编码器、信号调理电路、从控制器、无线发射模块。
|
图 4 监测系统结构组成 Fig. 4 Structure diagram of monitoring system |
棉种随取种盘转动经过对射式光电传感器时引起发光二极管光线变化,该传感器不会对取种的轨迹产生干扰,能很好地监测取种情况。当携带棉种的取种盘经过传感器时,遮挡住发射端与接收端组成的光线通路,会立即发出下降沿脉冲信号,若取种盘没有携带棉种经过,则会立即变为上升沿脉冲信号。通过实时采集脉冲信号,下降沿脉冲信号即代表棉种经过。结合光电编码器输出的脉冲信号,通过微控制器计数,获得播种总量、漏播数和重播数,同时经nRF24L01无线接收模块将信息传输至DWIN触摸屏上位机人机交互界面实时显示 。
编码器随穴播器转动1周发出360个脉冲信号,取种盘转动1°编码器则输出1个脉冲信号。齿盘式穴播器为15穴,即每转动24°编码器即发出24个脉冲信号,24个脉冲信号中对应有1个传感器输出脉冲信号的变化。从控制器将光电传感器与编码器的脉冲信号做同步处理,监测编码器发出的24个脉冲信号时间内是否有传感器输出的1个脉冲信号变化,即可判定是否出现漏播。漏播脉冲信号示意图如图5所示,在6号型孔处,编码器发出的24个脉冲信号时间内所对应的光电传感器发出的为高电平脉冲信号,且无电平信号变化,故该型孔漏取种,判定为漏播。
|
图 5 漏播脉冲信号示意图 Fig. 5 Schematic diagram of the pulse signal for missed seeding |
取种盘型孔内的棉种经过光电传感器的光敏感区产生低电平脉冲信号,微控制器捕获输入中断信号后开启定时器,从控制器内部对相应的脉冲宽度进行计算,分别测得高、低电平的时长Δt1、Δt2。将监测时间窗口内低电平时长Δt2(脉冲宽度)与预设棉种脉冲宽度(Da:单粒棉种经过传感器时长)对比,判断型孔内棉种数量。若Δt2>Da,则型孔内超过1粒棉种,即判定重播情况发生;若0<Δt2≤Da,则型孔内仅有1粒棉种,无重播情况发生,即为合格播种。重播脉冲信号示意图如图6所示。
|
图 6 重播脉冲信号示意图 Fig. 6 Schematic diagram of reseeding pulse signal |
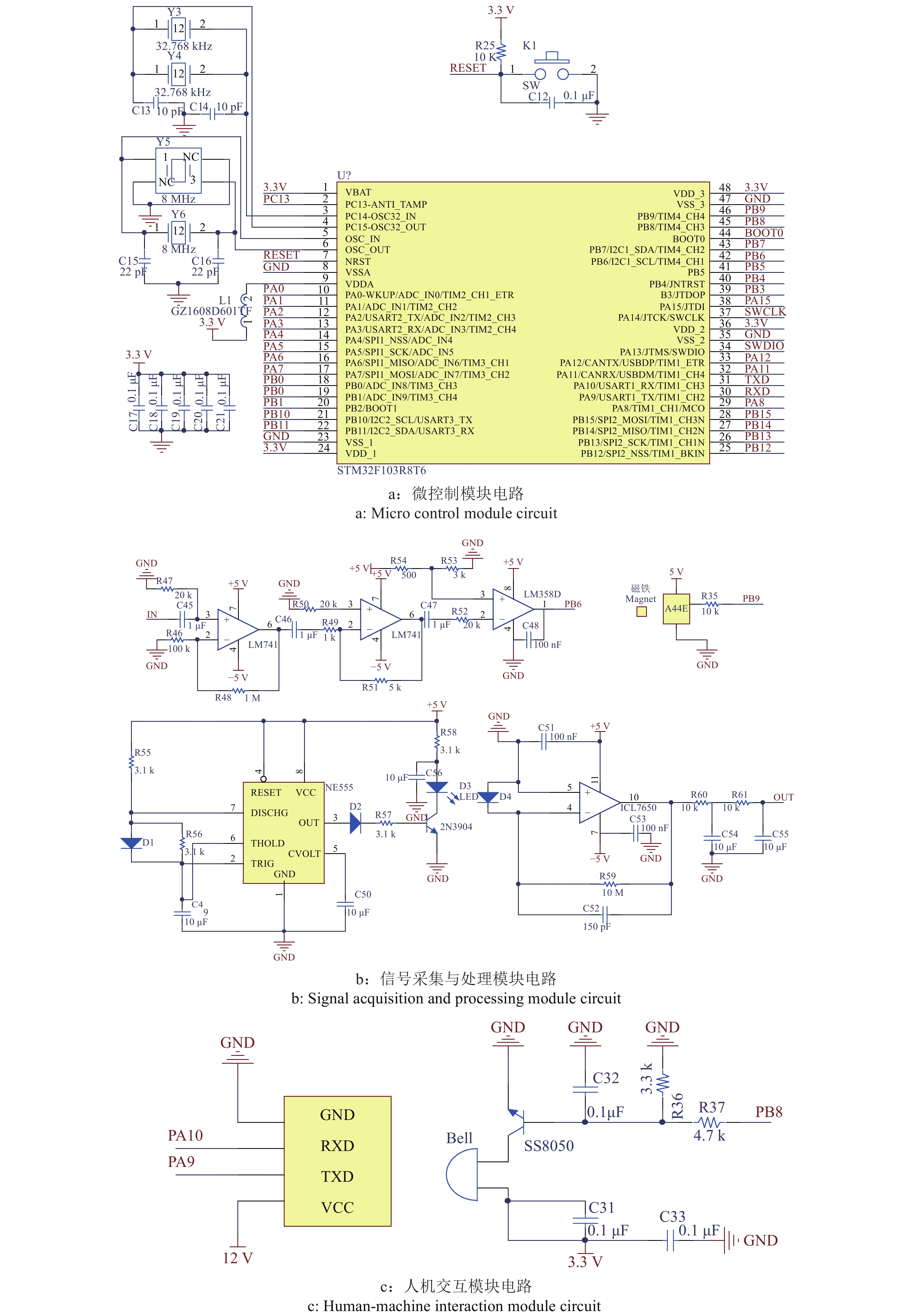
监测系统硬件由STM32F103C8T6微控制模块、信号采集与处理模块、人机交互模块等组成。采用模块化方式对各模块电路进行设计,以提高监测系统整体电路质量。监测系统总电路如图7所示。
|
图 7 监测系统总电路图 Fig. 7 General circuit diagram of the monitoring system |
齿盘式穴播器为15穴,即取种盘上有15个型孔,为了能准确地定位每个型孔的信息,编码器的分辨率最好是型孔数量的整数倍,所以选用的编码器分辨率为15n P/R(n为≥1的整数,P/R为脉冲/转)。因此选用型号为E6B2-CWZ3E 360 P/R的绝对式光电编码器,与驱动穴播器转动的主轴通过联轴器连接。
针对目前其他类型传感器在实际工作中存在漏测、误测,以及灰尘使监测系统准确性减弱等问题,选择由红外发光二极管和红外光敏二极管组成的对射式光电传感器作为监测元件。通过螺栓将红外发光二极管安装于存种圈外侧环形挡圈上,由透明外壳密封;红外光敏二极管镶嵌在存种圈内侧挡板,用透光玻璃镜片遮挡,能够阻断灰尘进入,避免监测元件受损。安装方式如图8所示,发射端与接收端正对取种盘取种型孔。对射式光电传感器的监测范围为10 mm×5 mm,该范围正好覆盖型孔。该传感器的响应时间短,具备监测每一型孔内是否存在棉种的能力。
|
图 8 传感器安装位置 Fig. 8 Sensor installation location diagram 1:红外发光二极管;2:外侧环形挡圈;3:取种盘;4:红外光敏二极管;5:内侧挡板 1: Infrared light-emitting diode; 2: Outer ring baffle; 3: Seed taking disc; 4: Infrared light-sensitive diode; 5: Inner baffle |
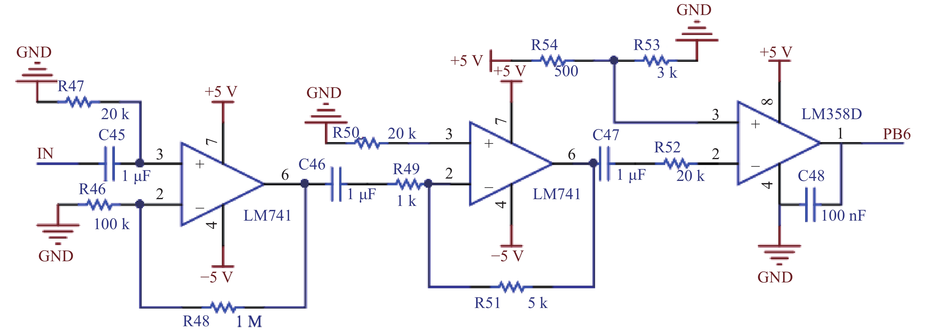
本文设计的监测系统中信号调理电路包括双级放大电路和比较电路。信号放大电路由LM741运算放大器构成,该运算放大器具有高速、低噪声和超低失真的特性,可在3.3~12.0 V的电源电压范围内工作。信号放大电路将传感器产生的微小信号进行放大至饱和状态,以便获得稳定的脉冲信号;比较电路由LM358D比较器构成,将信号放大电路输出的脉冲信号整形为方波信号。其电路原理如图9所示。
|
图 9 信号调理电路原理图 Fig. 9 Schematic diagram of signal conditioning circuit |
人机交互系统的好坏,直接影响信息显示与系统设置的成功与否。选用北京迪文科技有限公司生产的DMT32240C035-01WN电阻式触摸屏完成相关参数的设定及棉花播种质量信息的显示。该触摸屏采用DGUS软件开发,具有较强的稳定性[18]。
1.4 监测系统软件设计监测系统在工作前,主程序进行系统初始化,包括STM32F103C8T6微控制器、定时/计数器TIM3、外部中断、人机交互显示屏引脚和nRF24L01无线模块引脚的初始化等,然后设置定时器TIM3的定时时间为10 ms,可以完成对12路棉种播种质量信号的接收;并设置漏播率、重播率及棉种脉冲宽度(Da)的阈值。
编码器定位初始位置后,取第1粒棉种所在的型孔标记1号型孔。棉种经过光电传感器时产生低电平脉冲信号,测得低电平脉冲时长,同时编码器发出脉冲信号,从控制器接收到编码器发出的24个脉冲信号后,立刻检测是否对应的有低电平脉冲信号。若没有检测到低电平脉冲信号,则判断漏播数加1,通过nRF24L01模块上传主控制器;若检测到低电平脉冲信号,则开始对低电平脉冲宽度进行判断,当Δt2≥Da,则重播数加1,通过nRF24L01模块上传主控制器,否则正常播种数加1,通过nRF24L01模块上传到主控制器。主控制器对合格播种量、漏播量和重播量进行统计。依据《单位(精密)播种机试验方法》(GB/T 6973—2005)[19],计算漏播率和重播率,将得到的数据信息显示在人机交互显示屏。当漏播率和重播率高于阈值时则发出声光报警。监测系统程序流程如图10所示。
|
图 10 监测系统程序流程图 Fig. 10 Flow chart of monitoring system program |
台架试验的目的主要是测试该监测系统的合格播种、漏播和重播监测精度是否准确。试验地点为新疆天诚农机具制造有限公司实验室,穴播器性能检测试验台如图11所示,主要包括齿盘式穴播器、种箱、信号处理模块、STM32控制器和人机交互显示屏。选用15穴的齿盘式穴播器,试验棉花品种选用‘新陆早79号’(千粒质量90 g)。为了防止棉种排出后跳跃,影响人工记录,将去掉穴播器动鸭嘴,并在种床带上涂上胶水,增加棉种与种床带的摩擦力。
|
图 11 穴播器播量监测试验装置 Fig. 11 Seeding quantity monitoring test device for hole sower 1:播种试验台;2:齿盘式穴播器;3:种箱;4:信号处理模块;5:STM32控制器;6:人机交互显示屏 1: Sowing test stand; 2: Tine disc hole sower; 3: Seed box; 4: Signal processing module; 5: STM32 controller; 6: Human-machine interaction display |
播种机实际规定的作业速度范围为2.5~4.0 km/h[20],转化为穴播器工作转速范围为30~45 r/min。为了评估系统监测的准确性,一方面减少穴播器取种区域的棉种量,增加漏播的概率;另一方面去掉清种刷,增加重播的概率。通过穴播器性能检测试验台的速度控制面板分别设置穴播器工作转速为30、35、40、45 r/min,每个转速下选取600穴进行统计,重复3次。采用人工数种的方法,统计种床带上的实际合格播种穴数、漏播穴数和重播穴数。通过显示屏上监测值与人工统计值对比,计算系统监测精度,取3次试验平均值作为监测精度试验结果,结果如表1所示。合格播种、漏播和重播的监测精度均为各自的监测穴数与实际穴数的百分比。
|
|
表 1 监测系统精度试验结果 Table 1 Monitoring system accuracy test results |
由表1可知,穴播器转速为30 r/min时,系统的合格播种、漏播和重播监测精度最高,分别为96.65%、94.59%和92.00%。当穴播器转速高于30 r/min时,监测精度逐渐下降。分析其原因是充种区棉种量减少,当穴播器转速过高时,增大取种盘型孔与棉种碰撞频率,造成棉种轻微破坏,留有的棉种碎渣,干扰了监测过程,导致传感器监测精度降低。
2.2 田间试验为验证所设计的棉花播种质量实时监测系统的监测精度,于2021年3月在新疆省铁门关市附近试验田进行田间试验。该试验设备和材料为2MBJ-1/12棉花精量播种机、铁牛TNP1604拖拉机、‘新陆早79号’棉种、播种状态监测系统、卷尺、铁勺等。将监测系统分别安装在2MBJ-1/12棉花铺膜精量播种机的12个齿盘式穴播器内,根据台架试验得出在穴播器转速为30 r/min时,系统监测精度最高。因此,控制拖拉机作业速度为2.5 km/h。根据《单位(精密)播种机试验方法》(GB/T 6973—2005)[19],在试验田前后两端分别划定20 m作为播种机及拖拉机速度调整区域,其中100 m作业区域作为播种机稳定作业数据采集区。将整个试验区域限制在同一地块,减少误差,方便试验数据的采集,同时安排人员挖种记录。
依据国家农业行业标准《铺膜穴播机作业质量》(NY/T 987—2006)[21],结合穴播器播种工作原理,人工挖取相邻粒距的穴坑,无棉种记录则漏播穴数加1,若出现2粒及以上棉种记录则重播穴数加1。每个相邻粒距仅有1粒棉种,记录合格播种量加1。试验结果如表2所示。由表2可知,齿盘式穴播器监测系统合格播种、漏播和重播监测精度平均值分别为94.51%、92.38%和86.55%,均大于86%。穴播器监测系统在监测过程中会有一定误差,针对漏播监测中存在的误差,分析原因为田间环境恶劣以及穴播器里存在碎种,干扰传感器正常工作,无法监测到完整的种子;针对重播监测存在误差,其原因为棉种大小不一,若2个尺寸相差较大的棉种在取种型孔内重叠面积较多,会导致系统误判为单粒棉种。
|
|
表 2 棉花播种田间试验结果 Table 2 Field test results of cotton sowing |
用SPSS软件对田间试验数据进行处理,对漏播、重播监测值和实际值进行单因素线性回归分析,由表3可知,其相关系数(r)分别为0.94和0.98,拟合优度(r2)分别为0.88和0.96,调整之后的r2分别为0.87和0.96,标准估计误差分别为0.59和0.30。漏播、重播监测值和实际值方差分析结果如表4,得出F分别为74.01和251.91,P均为0.00,表明无失拟因素存在,故对比监测值与实际值没有显著性差异。由表5可知,漏播和重播模型常量分别为−0.28和0.90,实际值系数分别为1.10和1.00,t分别为−0.15和2.27,P均为0.00,分别得到一元线性回归方程为y1=1.10x−0.28和y2=1.00x+0.90,回归曲线与拟合图如图12所示。综上所述,得出的试验数据具有统计意义,棉花播种质量数据与人工实测数据具有较高的相关性,实际值可以由系统监测值反映出来,该监测系统对田间作业有一定的适用性。
|
|
表 3 指标监测值和实际值单因素线性回归分析结果 Table 3 Results of univariate linear regression analysis of monitored and actual values of indicators |
|
|
表 4 指标监测值和实际值方差分析结果 Table 4 Results of trial ANOVA of monitored and actual values of indicators |
|
|
表 5 指标监测值和实际值系数 Table 5 Indicator monitoring value and actual value coefficient |
|
图 12 漏播(a)和重播(b)的实际穴数与监测穴数线性拟合曲线 Fig. 12 Linear fitting curve of actual and monitored hole number of missed seeding (a) and reseeding (b) |
本文以新疆地区普遍使用的齿盘式穴播器为研究载体,设计了以对射式光电传感器和编码器为监测元件的棉花播种质量实时监测系统,并开展了台架试验与田间试验。台架试验结果表明,穴播器转速为30 r/min时,系统的合格播种、漏播和重播监测精度最高,分别为96.65%、94.59%和92.00%。当穴播器转速高于30 r/min时,监测精度逐渐下降。田间试验中,监测系统的合格播种、漏播和重播监测精度的平均值分别为94.51%、92.38%和86.55%。利用SPSS软件分析试验数据,得出试验数据具有统计意义,棉花播种质量数据与人工实测数据具有较高的相关性,实际值可以由系统监测值反映出来,该系统能满足田间作业对排种监测的需求。
| [1] |
贾小凡. 国家棉花市场监测系统报告[R]. 北京: 中储棉花信息中心有限公司, 2020.
( 0) |
| [2] |
闫建峰. 新疆维吾尔自治区棉花生产现状及发展对策[J]. 乡村科技, 2020, 11(22): 47-48. DOI:10.3969/j.issn.1674-7909.2020.22.023 ( 0) |
| [3] |
曹叶, 王旭峰, 王龙, 等. 精量穴播器排种性能检测方法研究分析及展望[J]. 新疆农机化, 2020(6): 19-24. ( 0) |
| [4] |
戈天剑, 赵斌, 衣淑娟, 等. 气吸式玉米播种机排种监测系统研究[J]. 农机化研究, 2017, 39(8): 82-85. DOI:10.3969/j.issn.1003-188X.2017.08.017 ( 0) |
| [5] |
丁幼春, 王凯阳, 刘晓东, 等. 中小粒径种子播种检测技术研究进展[J]. 农业工程学报, 2021, 37(8): 30-41. DOI:10.11975/j.issn.1002-6819.2021.08.004 ( 0) |
| [6] |
林相峰, 邹林, 叶明宇. 约翰迪尔1820型气力式免耕变量播种机[J]. 现代化农业, 2005(8): 26. DOI:10.3969/j.issn.1001-0254.2005.08.034 ( 0) |
| [7] |
Precision Planting. WaveVision[EB/OL]. (2014-07-15) [2019-08-22]. https://www.precisionplanting.com/products/product/wavevision.
( 0) |
| [8] |
BORJA A A, AMONGO R M C, SUMINISTRADO D C, et al. A machine vision assisted mechatronic seed meter for precision planting of corn[C]// IEEE. 2018 3rd International Conference on Control and Robotics Engineering (ICCRE). Nagoya: IEEE, 2018: 183-187
( 0) |
| [9] |
MARRION C C, FOSTER N J, LIU L, et al. System and method for three-dimensional alignment of objects using machine vision: US8442304B2[P/OL]. [2022-01-03]. https://www.researchgate.net/publication/302633414_System_and_method_for_three-dimensional_alignment_of_objects_using_machine_vision.
( 0) |
| [10] |
丁幼春, 王雪玲, 廖庆喜. 基于时变窗口的油菜精量排种器漏播实时检测方法[J]. 农业工程学报, 2014, 30(24): 11-21. DOI:10.3969/j.issn.1002-6819.2014.24.002 ( 0) |
| [11] |
丁幼春, 朱凯, 王凯阳, 等. 薄面激光−硅光电池中小粒径种子流监测装置研制[J]. 农业工程学报, 2019, 35(8): 12-20. DOI:10.11975/j.issn.1002-6819.2019.08.002 ( 0) |
| [12] |
李明, 刘晓辉, 丁幼春, 等. 基于排种频率的油菜气力式精量排种器漏播检测技术与装置[C]// 中国农业工程学会. 中国农业工程学会2011年学术年会论文集. 重庆: 中国农业工程学会, 2011: 299-304.
( 0) |
| [13] |
谭穗妍, 马旭, 董文浩, 等. 基于嵌入式机器视觉的水稻秧盘育秧图像无线传输系统[J]. 农业机械学报, 2017, 48(4): 22-28. DOI:10.6041/j.issn.1000-1298.2017.04.002 ( 0) |
| [14] |
谭穗妍, 马旭, 吴露露, 等. 基于机器视觉和BP神经网络的超级杂交稻穴播量检测[J]. 农业工程学报, 2014, 30(21): 201-208. DOI:10.3969/j.issn.1002-6819.2014.21.024 ( 0) |
| [15] |
杨硕, 王秀, 高原源, 等. 玉米精密播种粒距在线监测与漏播预警系统设计[J]. 农业机械学报, 2021, 52(3): 17-24. DOI:10.6041/j.issn.1000-1298.2021.03.002 ( 0) |
| [16] |
黄东岩, 朱龙图, 贾洪雷, 等. 基于GPS和GPRS的远程玉米排种质量监测系统[J]. 农业工程学报, 2016, 32(6): 162-168. DOI:10.11975/j.issn.1002-6819.2016.06.022 ( 0) |
| [17] |
王金武, 张曌, 王菲, 等. 基于压电冲击法的水稻穴直播监测系统设计与试验[J]. 农业机械学报, 2019, 50(6): 74-84. DOI:10.6041/j.issn.1000-1298.2019.06.008 ( 0) |
| [18] |
姚建真. 迪文DGUS与Modbus协议的基本应用[J]. 电子技术应用, 2013, 39(1): 2. DOI:10.3969/j.issn.0258-7998.2013.01.002 ( 0) |
| [19] |
中国国家标准化管理委员会. 单粒(精密)播种机试验方法: GB/T 6973—2005[S]. 北京: 中国农业出版社, 2005.
( 0) |
| [20] |
董万城, 张立新, 李文春, 等. 新疆棉花播种机械应用现状及发展趋势[J]. 新疆农机化, 2021(2): 11-15. ( 0) |
| [21] |
中国国家标准化管理委员会. 铺膜穴播机作业质量: NY/T 987— 2006[S]. 北京: 中国农业出版社, 2006.
( 0) |
2023, Vol. 44



0)